КВ-усилители на лампах.

ГРАНИТ
Сообщения:2142
Зарегистрирован:21 ноя 2011, 21:14
Откуда:NO14TH
Благодарил (а): 119 раз
Поблагодарили: 60 раз
КВ-усилители на лампах.

Сообщение ГРАНИТ » 02 дек 2022, 18:23

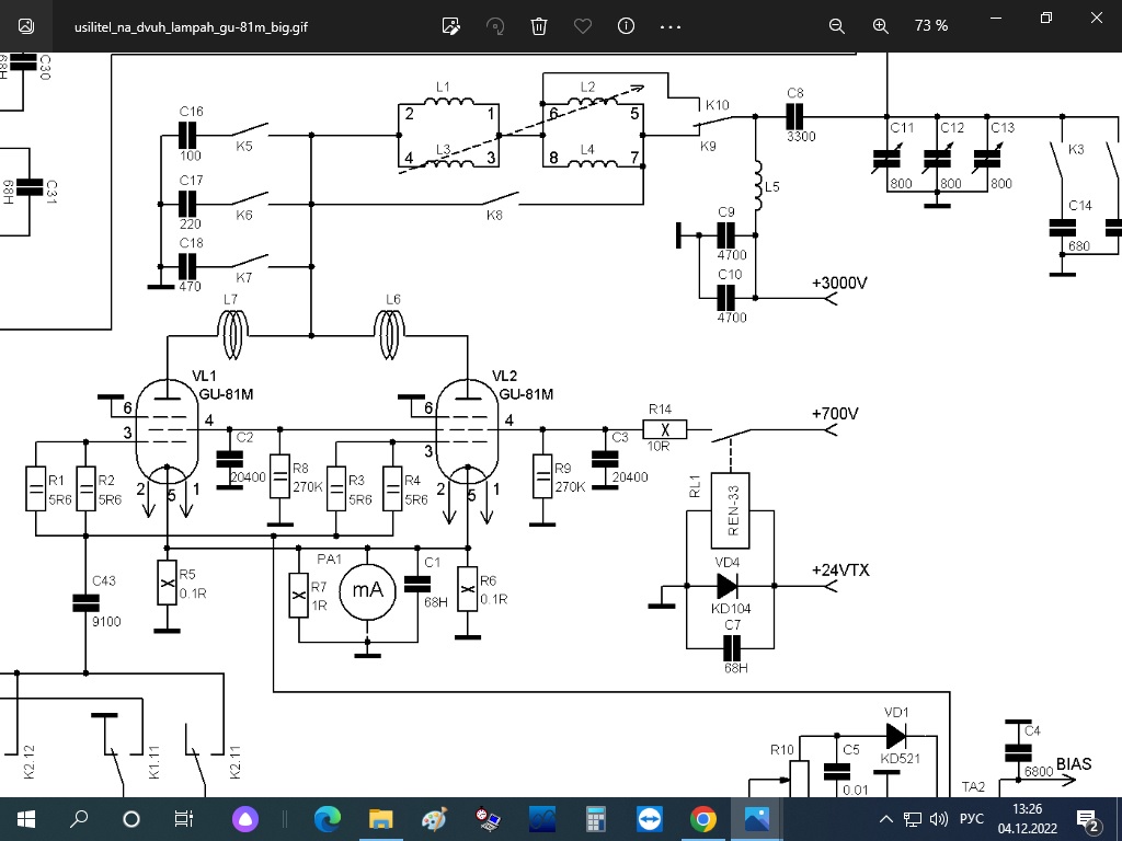
Потянет ли от Р-140, все ж рогатая это не гу-43 и не 78. Конденсатор переменный в УСС есть, только один и там никаких 1000пФ не будет. Кольца есть, пять шайбочек примерно по 120мм в диаметре и общей высотой 90мм. На них что то намотано 3-мя сложенными проводами. Провод не видно, изолирован фторопластовой лентой. С одной стороны два конца сложены вместе и подключены на корпус, другие "веером" по контактам переключателя *поддиапазоны*. Есть еще какая то кастрюлька :) с дырками, что в ней не видно. Возможно катушка, из корпуса выходят 3 провода во фторопластовой обмотке и опять на переключатель *поддиапазоны*.
Что то идея с симметрированием на кольцах не очень... Если бы из коаксиала в двухпроводку еще как то понятно, а наоборот :? есть ли такое в природе на "рогатых".
73! RX9O - Дмитрий.

Реклама
Аватара пользователя
RW9OW
Сообщения:817
Зарегистрирован:19 сен 2011, 15:24
Благодарил (а): 26 раз
Поблагодарили: 59 раз
Контактная информация:

КВ-усилители на лампах.

Сообщение RW9OW » 04 дек 2022, 10:26

ГРАНИТ писал(а):
02 дек 2022, 18:23
Потянет ли от Р-140, все ж рогатая это не гу-43 и не 78.
Ну "рогатая" вообщето по паспорту - 850Вт, ну максимум 1кВт с приемлимым сигналом, а ГУ43Б - 1,6кВт, ГУ78Б - 3,2кВт в режимах АВ1.
73! Андрей RW9OW

ГРАНИТ
Сообщения:2142
Зарегистрирован:21 ноя 2011, 21:14
Откуда:NO14TH
Благодарил (а): 119 раз
Поблагодарили: 60 раз

КВ-усилители на лампах.

Сообщение ГРАНИТ » 04 дек 2022, 12:09

Склоняете к двухтакту? :) Если идти по этому пути, почему такое огромное кольцо
RW9OW писал(а):
02 дек 2022, 14:02
на входе 100мм
ведь схема блока с раскачкой в сетку.
"Поговаривают" что достаточно 20-30Вт на пару ламп, ну пускай будет 50. Полагаю можно применить балун 1:4 50-200, это размером со спичечный коробок. Выход балуна, он же вход ламп нагрузить сопротивлениями для поддержания приемлемого КСВ без подстройки во всем диапазоне. А вот выход ламп... :?
Попалась картинка, судя по ней у меня наверно УСС "Береза". И кусок схемы на CQHAM с включением трансформаторов.
УСС Береза.JPG
По схеме получается что трансформатор из пяти колец это Тр4, а в "кастрюльке" (корпус вроде из посеребренки, только стал совсем серый) Тр2. Если эти трансформаторы "перевернуть" получится ли согласование с лампами. И сколько индуктивности нужно будет добавлять в ВКС для работы на 1,8 , "Вяз" по характеристикам работает в диапазоне 3-24МГц
Находил, опять на CQHAM, нечто подобное. Второй вариант видимо для трансформатора на бинокле.
Выход.GIF
Выход.GIF (135.23КБ)3449 просмотров
Двухтактный выход на базе S match.GIF
Двухтактный выход на базе S match.GIF (131.72КБ)3449 просмотров
Далее обычное СУ с П-контуром.

Отправлено спустя 27 минут 10 секунд:
...или ну его к чертям этот двухтакт, лампы в параллель с раскачкой в сетку. :? Тут наверно одна "беда" - вариометр. Хватит ли его на 1,8 если секции последовательно соединить? И главное, возможно ли это? "Резьба" на катушках встречная... Тогда каких то проблем с УСС вродь не предвидится.
Остается найти нормальную схему, что бы усё работало от 1,8 до 30, а лучче и до 50МГц. :D
Схема по статье Карокоця UR5CX
UR5CX.jpg
UR5CX.jpg (138.2КБ)3448 просмотров
Только на схеме есть диапазоны 40 20 10 метров, в описании упоминается про 80м, а про 160 "молчок". Поди никаких проблемм с диапазоном 1,8 не возникнет, только "подкидывай" дополнительные емкость индуктивность. А как такая схема на 30-50МГц?
73! RX9O - Дмитрий.

ГРАНИТ
Сообщения:2142
Зарегистрирован:21 ноя 2011, 21:14
Откуда:NO14TH
Благодарил (а): 119 раз
Поблагодарили: 60 раз

КВ-усилители на лампах.

Сообщение ГРАНИТ » 04 дек 2022, 22:10

Забыл ссылочку на схему добавить, а то будут люди голову ломать чего и куда :oops:
http://www.cqham.ru/pa83_12.htm
73! RX9O - Дмитрий.

ГРАНИТ
Сообщения:2142
Зарегистрирован:21 ноя 2011, 21:14
Откуда:NO14TH
Благодарил (а): 119 раз
Поблагодарили: 60 раз

КВ-усилители на лампах.

Сообщение ГРАНИТ » 22 янв 2023, 12:57

Пара вопросов из серии про три сосны. :)
Есть понятие Roe лампы для полного согласования с нагрузкой. И рекомендация настраивать П-контур на полной мощности. (только быстренько-быстренько :D ) Допустим настроено и согласовано для тока в 1А. А что же тогда получится если подать сигнал меньшей мощности при котором будет уже не 1, а только 0.5А. Произойдет рассогласование? Как же тогда линейность усиления...

И еще вопрос как бы проистекающий из первого. Слышал где то такой типа совет, это было про ГУ-81, но подразумевались и другие подобные лампы. Для того что бы не бахнуло стрельнуло гикнуло, во время настройки подавать пониженное накальное напряжение. Вроде как половину паспортного... это ж опять падение тока лампы... И это сработает или это чушь какая :?
73! RX9O - Дмитрий.

UA9PM
Сообщения:166
Зарегистрирован:04 июн 2011, 15:15
Благодарил (а): 16 раз
Поблагодарили: 19 раз

КВ-усилители на лампах.

Сообщение UA9PM » 27 янв 2023, 19:31

ГРАНИТ писал(а):
22 янв 2023, 12:57
И еще вопрос как бы проистекающий из первого. Слышал где то такой типа совет, это было про ГУ-81, но подразумевались и другие подобные лампы. Для того что бы не бахнуло стрельнуло гикнуло, во время настройки подавать пониженное накальное напряжение. Вроде как половину паспортного... это ж опять падение тока лампы... И это сработает или это чушь какая
Чушь! Читайте классиков. На стопятьсот страниц всё расписано.

ГРАНИТ
Сообщения:2142
Зарегистрирован:21 ноя 2011, 21:14
Откуда:NO14TH
Благодарил (а): 119 раз
Поблагодарили: 60 раз

КВ-усилители на лампах.

Сообщение ГРАНИТ » 28 янв 2023, 10:46

Про свинью понял :) Классиков нема у меня. Когда были, дал почитать одному преподавателю, так до сих пор читает, если жив еще конечно.
73! RX9O - Дмитрий.

Аватара пользователя
RW9OW
Сообщения:817
Зарегистрирован:19 сен 2011, 15:24
Благодарил (а): 26 раз
Поблагодарили: 59 раз
Контактная информация:

КВ-усилители на лампах.

Сообщение RW9OW » 28 янв 2023, 11:19

Заниженное напряжение накала лампы категорически недопустимо и ведет к разрушению катода с резким уменьшением срока службы лампы.
73! Андрей RW9OW

UA9OC
Сообщения:392
Зарегистрирован:04 ноя 2015, 22:02
Благодарил (а): 12 раз
Поблагодарили: 28 раз

КВ-усилители на лампах.

Сообщение UA9OC » 28 янв 2023, 19:24

ГРАНИТ писал(а):
22 янв 2023, 12:57
Допустим настроено и согласовано для тока в 1А. А что же тогда получится если подать сигнал меньшей мощности при котором будет уже не 1, а только 0.5А. Произойдет рассогласование? Как же тогда линейность усиления...
С линейностью ничего особо не произойдет. А вот выходная мощность снизится против той, которую можно снять ... и всего-то чуть увеличить антенную ёмкость П-контура... неужели рука не поднимется??? :D не снимешь мощность - она на аноде выделится :( .
В транзисторных усилителях, где нет возможности подстроить согласующе-трансформирующую цепь в коллекторе - при снижении раскачки снижают и напряжение питания, например, с 56 до 45 вольт.
Вообще-то, линейность чуть хуже будет. Меньше раскачки - увеличивай начальный ток, так как в самом начале характеристики нелинейность ВАХ максимальная.
Каждому уровню входного сигнала - свой начальный ток!

ГРАНИТ
Сообщения:2142
Зарегистрирован:21 ноя 2011, 21:14
Откуда:NO14TH
Благодарил (а): 119 раз
Поблагодарили: 60 раз

КВ-усилители на лампах.

Сообщение ГРАНИТ » 29 янв 2023, 22:13

Ващъпе капец :? Ну хоть Roe не плавает от мощности входного сигнала, если анодное как вкопанное стоит?
73! RX9O - Дмитрий.

Ответить