КВ-усилители на лампах.

Валерий
Сообщения:162
Зарегистрирован:28 сен 2015, 09:28
Поблагодарили: 1 раз
КВ-усилители на лампах.

Сообщение Валерий » 18 дек 2017, 14:19

Здравствуйте!На форумах не отвечают на мой вопрос-будет работать усилитель на 2-х ГУ29 с заземлёнными сетками как на ГУ50??

Реклама
Аватара пользователя
RW9OW
Сообщения:817
Зарегистрирован:19 сен 2011, 15:24
Благодарил (а): 26 раз
Поблагодарили: 59 раз
Контактная информация:

КВ-усилители на лампах.

Сообщение RW9OW » 18 дек 2017, 14:31

будет.
73! Андрей RW9OW

barry
Сообщения:34
Зарегистрирован:21 янв 2014, 17:30
Благодарил (а): 1 раз

КВ-усилители на лампах.

Сообщение barry » 19 дек 2017, 16:27

Давным-давно у Николая ex-RA9OEU был самодельный трансивер с двумя лампами ГУ-29 на выходе,нормально работал.

ГРАНИТ
Сообщения:2142
Зарегистрирован:21 ноя 2011, 21:14
Откуда:NO14TH
Благодарил (а): 119 раз
Поблагодарили: 60 раз

КВ-усилители на лампах.

Сообщение ГРАНИТ » 01 дек 2022, 16:30

Добрался таки до железки :) давно руки чесались, да все никак.
Хотелось бы выяснить что за звёръ такой. Ну и некоторые вопросы по использованию данного чуда 1971г.вып.
DSC04595.JPG
DSC04596.JPG
DSC04597.JPG
DSC04598.JPG
DSC04599.JPG
DSC04600.JPG
DSC04601.JPG
DSC04602.JPG
DSC04603.JPG
DSC04605.JPG
73! RX9O - Дмитрий.

ГРАНИТ
Сообщения:2142
Зарегистрирован:21 ноя 2011, 21:14
Откуда:NO14TH
Благодарил (а): 119 раз
Поблагодарили: 60 раз

КВ-усилители на лампах.

Сообщение ГРАНИТ » 01 дек 2022, 16:46

Одну лампу отмыл еще давным-давно, вселяет надежду.
DSC04613.JPG
"Следов" товарища прапорщика не заметил. Кроме одной странности в монтаже ламповых панелей Л1 и Л2.
монтаж Л1.JPG
монтаж Л2.JPG
Как говорится, сравни картинки и найди отличия. На Л1 не блокировочного конденсатора по С3. Но это не "товарищ прапорщик" стыбзил, так и було ) с завода. Потому что на земляной шине из меди нет лепестка для пайки, как у второй лампы. Схема как полагаю с ОК, раскачка в С1 обех ламп. Л1 находится дальше от блочного разъема чем Л2.
Слышал такое поверье, что мол С3 (он же "рог") лампы рекомендуется заземлять только с одной стороны. Либо в панели, либо за сам "рог". Иначе "засвистит". Но не помню при каком включении, может это только при включении с ОС и раскачкой в катод такой эффект. В связи с этим первый вопрос - имеет ли смысл заморачиваться с "не достающим" конденсатором при заводской схеме включения.

Отправлено спустя 6 минут 58 секунд:
Еще интересно что за "кирпичики" коричневые попарно прикручены ленточными скобами. Выводы с одной стороны подключены к накалу, он же катод. С другой стороны припаяны к на землю. Вродь конденсаторы... Но почему такое исполнение, будто бы это проходные конденсаторы или вдруг еще чего :shock: Сам же корпус у них вряд ли имеет контакт с шасси.
DSC04610.JPG
Отправлено спустя 38 минут 13 секунд:
Схема ВКС примерно такая.
DSC04614.JPG
Просьба не кидаться тапками, старался как мог :)
Возбуждение как писал выше в С3 каждой лампы отдельно. Два подпружиненных изолированных контакта на корпусе, с противоположной тоже 2 контакта, но с выхода ВКС. Это двухтакт или ?
Имеется переключатель * ПОДДИАПАЗОН*, он синхронно в каждой половинке последовательно "нашампуривает" точки 4, 3, 2 и 1, соединяя их вместе. Тем самым "подкидывая" дополнительные емкости. Ручка *НАСТРОЙКА* синхронно "гоняет" ползуны по катушкам. Тут понятно... но не совсем понятно как работают емкости "в стекле". На схеме обведены квадратиками - 25пф 50пф и 100пф.
Кто бы разложил по полочкам, чего тут и как. П-контур тут вроде не просматривается... Роль вакуумных конденсаторов - они работают в резонанс или еще как? На баллонах 15кВ указано, это напряжение или быть может квары (или как их там) ? Когда они не подключены (вакуумники), они все равно "болтаются" в схеме. Получается три гирлянды параллельно по 3 последовательных конденсатора между выходами... :?
Те конденсаторы что "подстегиваются" выполняют роль связи с антенной (ну или последующих каскадов) для согласования или это емкостной делитель вместе с вакуумными?
Ну и главное. Если это хозяйство использовать, то как лучше? Приделать двухтактный возбудитель или еще чего. Например симметрирующий трансформатор или согласующее. Вродь с возбудителем меньше шансов при простреле спалить трансивер. Или в параллель? Тогда какие переделки понадобятся?
Ящик какой то, в 2 раза больше этого, имеется. Какое то УСС, только не факт что оно от этой штуковины. Нигде ни одной "щильды" не нашел.
73! RX9O - Дмитрий.

Аватара пользователя
RW9OW
Сообщения:817
Зарегистрирован:19 сен 2011, 15:24
Благодарил (а): 26 раз
Поблагодарили: 59 раз
Контактная информация:

КВ-усилители на лампах.

Сообщение RW9OW » 02 дек 2022, 08:25

Это блок от передатчика "ВЯЗ" - предварительный каскад перед двумя лампами ГУ5Б. Каскады двухтактные. Схемы можно легко найти.
Запустить как обычный усилитель не получится, нужно переделывать ВСЕ - лампы в параллель (схема с общими сетками), в выходном каскаде
катушки последовательно, на "горячий" конец подключать постоянные вакуумные конденсаторы разной емкости, на "холодный" (антенный) добавить переменный конденсатор. Такая схема используется в передатчике Р-140 - сделать по образу и подобию.
img172.jpg
73! Андрей RW9OW

ГРАНИТ
Сообщения:2142
Зарегистрирован:21 ноя 2011, 21:14
Откуда:NO14TH
Благодарил (а): 119 раз
Поблагодарили: 60 раз

КВ-усилители на лампах.

Сообщение ГРАНИТ » 02 дек 2022, 11:52

Спасибо за схему.
:D А я думал что криво переключатель *поддиапазон* нарисовал. Тута не слаще, просто так не сообразишь.
Да, схемка соответствует. Есть косяк маленький, вместо вывода 6 на Л2 указан 5. Но эт не страшно. Есть отличие, в реальности СРТ накала вывод 5 никуда не подключен. А выводы конденсаторов, идущие по схеме к ней, подключены на общую шину. Интересно как правильнее было бы :?
Бум искать схему на Р-140.
Вопрос по ВКС напрашивается. Нельзя ли использовать как то штатную систему для перехода по диапазонам, а согласование с антеннами уже осуществлять отдельным блоком УСС? Тут как понимаю к лампе подключен параллельный колебательный контур, а отвод энергии и согласование через емкостной делитель. Наверно так "комфортнее" для ламп будет или...? Или будут огроменные искры :) если вместо "ползуна" в катушке поставить реле для замыкания витков?
73! RX9O - Дмитрий.

Аватара пользователя
RW9OW
Сообщения:817
Зарегистрирован:19 сен 2011, 15:24
Благодарил (а): 26 раз
Поблагодарили: 59 раз
Контактная информация:

КВ-усилители на лампах.

Сообщение RW9OW » 02 дек 2022, 12:10

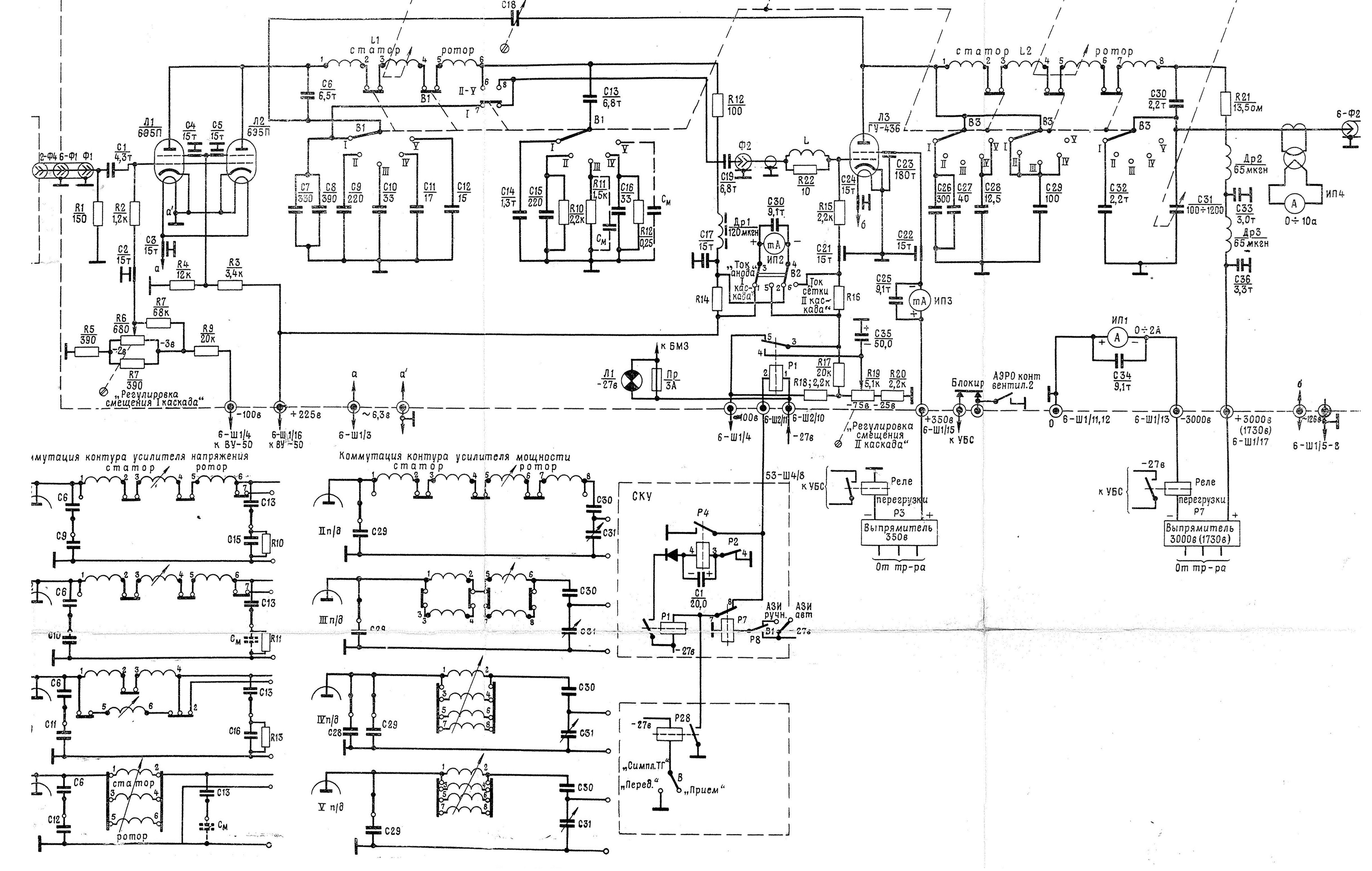
Р-140 схема выходного каскада:
УМ.jpg
ВКС-Р140.jpg
ВКС-Р140.jpg (99.46КБ)3472 просмотра
73! Андрей RW9OW

ГРАНИТ
Сообщения:2142
Зарегистрирован:21 ноя 2011, 21:14
Откуда:NO14TH
Благодарил (а): 119 раз
Поблагодарили: 60 раз

КВ-усилители на лампах.

Сообщение ГРАНИТ » 02 дек 2022, 13:05

А разве Р-140 бывают на рогатых? :shock: Да еще поди кругом вариометры стоят. В моем УСС вариометр может и был... что то не помню, разбирал какой то, от него ли... Катушка с ползуном и конденсатор переменный с "зазорчиком" :) есть.
73! RX9O - Дмитрий.

Аватара пользователя
RW9OW
Сообщения:817
Зарегистрирован:19 сен 2011, 15:24
Благодарил (а): 26 раз
Поблагодарили: 59 раз
Контактная информация:

КВ-усилители на лампах.

Сообщение RW9OW » 02 дек 2022, 14:02

Я имел в виду, что с Р-140 взять схему выходного контура. У тебя есть ползунковый вариометр, есть вакуумные конденсаторы, дроссель по высокому, не хватает только выходного переменного конденсатора.
Вообще можно попробовать запустить этот усилитель без переделок. Подать все требуемые напряжения, а по входу и по выходу подключить широкополосные трансформаторы, с помощью которых схема из симметричного вида преобразуется в несимметричный коаксиальный.
Кольца только нужны типа 200-400НН и большим диаметром (на входе 100мм, на выходе 200-300мм)
73! Андрей RW9OW

Ответить