Удаленный приемник или "радио" по интернет.
-
ГРАНИТ
- Сообщения:2142
- Зарегистрирован:21 ноя 2011, 21:14
- Откуда:NO14TH
- Благодарил (а): 119 раз
- Поблагодарили: 60 раз
...и еще вот эдак можно 
- Вложения
-
- и еще вот так.jpg (261.13КБ)14943 просмотра
73! RX9O - Дмитрий.
Реклама
-
ГРАНИТ
- Сообщения:2142
- Зарегистрирован:21 ноя 2011, 21:14
- Откуда:NO14TH
- Благодарил (а): 119 раз
- Поблагодарили: 60 раз
Удаленный приемник или "радио" по интернет.
Надо бы "стоунхендж" налаживать.... Трэба два маячка на каждый диапазон. Хотел приспособить Тойотовские автоприемники, да вот незадача, амплитуды от синтезатора маловато. Совсем мало, каких то 100мВ... не чуит их дельта, а флаги под вопросом.
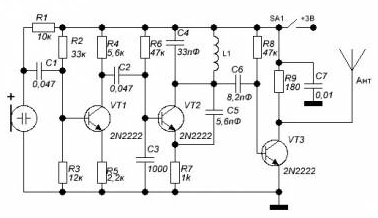
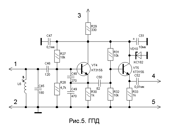
Вопрос к тэоретикам-симулянтам или практикам, мне бы схемку, аль чертеж на транзисторе 2N3904 (как ходовой) "увеселителя"
на 1800кГц. С минимумом деталей, как максимум дроссель покупной в коллекторе. Ну быть может конденсатор к этому дросселю для настройки "контура" на нужный диапазон. (Возможно в дальнейшем потребуется умножение на 2 и 4, что бы покрыть 80 и 40м диапазоны.)
Пока горит диапазон 160м.
Нужна такая схема, что бы на вход 100мВ, на выходе 2-3В при питании 8 Вольт. Нагрузки можно сказать никакой, это провод 1,5-2м,так что работа на резистор или дроссель. Для примера пара схем, можно ли из них получить желаемое? (смотрим только выходной каскад) Какие номиналы изменить или порядок настройки?
Вопрос к тэоретикам-симулянтам или практикам, мне бы схемку, аль чертеж на транзисторе 2N3904 (как ходовой) "увеселителя"
Пока горит диапазон 160м.
73! RX9O - Дмитрий.
-
ГРАНИТ
- Сообщения:2142
- Зарегистрирован:21 ноя 2011, 21:14
- Откуда:NO14TH
- Благодарил (а): 119 раз
- Поблагодарили: 60 раз
Удаленный приемник или "радио" по интернет.
Сегодня на 40-ке Бразилия и Уругвай 1,5-2 балла над уровнем шума. Правда пока писал, там уже наших налетело.
CX2DDP на 7165 и с ним работал PP1KV.
73! RX9O - Дмитрий.
-
ГРАНИТ
- Сообщения:2142
- Зарегистрирован:21 ноя 2011, 21:14
- Откуда:NO14TH
- Благодарил (а): 119 раз
- Поблагодарили: 60 раз
Удаленный приемник или "радио" по интернет.
Та не-е, до флагов еще как до китая. Тем более, что маячки могут работать пока только на 160м. Для 80 и 40 надо еще будет умножение стряпать и контура.
Прием на дельту 160м диапазона. Диаграмма на 40-ке естественно никакая.
Есть запись если интересно, правда к тому времени на частоте был только CX2DDP, он работал на вызов.
Прием на дельту 160м диапазона. Диаграмма на 40-ке естественно никакая.
73! RX9O - Дмитрий.
-
ГРАНИТ
- Сообщения:2142
- Зарегистрирован:21 ноя 2011, 21:14
- Откуда:NO14TH
- Благодарил (а): 119 раз
- Поблагодарили: 60 раз
Удаленный приемник или "радио" по интернет.
"Увеселитель" для маячка я победил.
Использовал второй вариант, только вместо 2N2222 транзистора применен 2N3904 и номиналы резисторов увеличены в 3-4 раза. Поучено 2-2.5 вольта на выходе. По эфиру проверил, с "антенной" 5-10м на растоянии 500м от приемной наводится сигнал 9 баллов.
Сейчас бы
пока не собрал второй маяк, решить бы как сделать умножение на 2 и 4-ре. Это для диапазонов 40 и 80м. Можно применить и умножение на 3 и 5, синтезатор позволяет перекрыть и такие частоты. Это либо модернизация схемы на 1 транзисторе (из варианта 2). Предполагаю что для 80 и 40м "антенна" будет более эффективно работать, плюс более "тихий" эфир, а следовательно не нужна большая амплитуда на выходе. Либо добавлением еще одного (свободное место приготовлено), так что бы пара тыков паяльником и диапазон переключен.
Есть проверенные идеи?
Сейчас бы
Есть проверенные идеи?
73! RX9O - Дмитрий.
-
ГРАНИТ
- Сообщения:2142
- Зарегистрирован:21 ноя 2011, 21:14
- Откуда:NO14TH
- Благодарил (а): 119 раз
- Поблагодарили: 60 раз
Удаленный приемник или "радио" по интернет.
Сегодня вновь
на 40-ке Уругвай. CX4DI на 7113, 3-4 балла над уровнем шума.
73! RX9O - Дмитрий.
-
ГРАНИТ
- Сообщения:2142
- Зарегистрирован:21 ноя 2011, 21:14
- Откуда:NO14TH
- Благодарил (а): 119 раз
- Поблагодарили: 60 раз
Удаленный приемник или "радио" по интернет.
Да..., много воды утекло с тех пор как я тут был последний раз.
Хотел было написать что по натворил за это время, но готового материала нет и время позднее, так что в следующий раз.
А пока выложу запись 4875кГц. В последнее время объявилось какое то дикое
просто сумасшедшее радио. Как в советское время сказали бы с благоговением в голосе - "зарубежка". Ну и наши там попадаются иногда. Работать начинает после полуночи по нашему времени. Ежедневно или нет, еще сам не понял. Сигнал не сильный, да к тому же местная пакость закрывает НЧ диапазоны шумом. Сначала думал что это какой нибудь совершенно одичавший
"радиовещатель". Но вроде есть ведущий и периодические "отбивки" с объявлениями. Кто силен по "ихнему" послушайте, может сможете разобрать, на 15 или 16 минуте объявляют что то, мощность и антенну.
Проверил, 00:20 а сигнала пока нет. Может не каждый день работают или по позже начнут.
Хотел было написать что по натворил за это время, но готового материала нет и время позднее, так что в следующий раз.
А пока выложу запись 4875кГц. В последнее время объявилось какое то дикое
73! RX9O - Дмитрий.
-
R9OCN
- Сообщения:298
- Зарегистрирован:22 июл 2016, 20:11
- Благодарил (а): 38 раз
- Поблагодарили: 29 раз
- Контактная информация:
Удаленный приемник или "радио" по интернет.
16:07 - 16:28
Добро пожаловать на Тайна-21 (Mystery-21)
Мы хотим сказать "Привет" всем, кто слушает нас и доверяет большой руке (???)
Только 1,2 киловатаа и инвертед V антенна - и всё это из сердца Европы.
Оставайтесь милыми. ????
Красным - неразборчиво или нелогично
Добро пожаловать на Тайна-21 (Mystery-21)
Мы хотим сказать "Привет" всем, кто слушает нас и доверяет большой руке (???)
Только 1,2 киловатаа и инвертед V антенна - и всё это из сердца Европы.
Оставайтесь милыми. ????
Красным - неразборчиво или нелогично
-
ГРАНИТ
- Сообщения:2142
- Зарегистрирован:21 ноя 2011, 21:14
- Откуда:NO14TH
- Благодарил (а): 119 раз
- Поблагодарили: 60 раз
Удаленный приемник или "радио" по интернет.
О! Что то я вчера пропустил ответ. И на этом спасибо.
Видимо прохождения сейчас нет, вроде было что то на этой неделе, но еле-еле.
С "тайной" понятно, а вот откуда это
Видимо прохождения сейчас нет, вроде было что то на этой неделе, но еле-еле.
С "тайной" понятно, а вот откуда это
? Спрашиваю, потому что заметил пользователя с аналогичным ником. И по о-0-чень-очень странному стечению обстоятельств, именно тогда бывает слышно эту станцию. В общем то и на частоту эту я "вышел" через него. Смотрю, что за мистерия такая объявилась, "шлеп" по ней и попадаю на радио с класным музоном.
73! RX9O - Дмитрий.